Текущее время: 09 окт 2025, 17:55

Автор Подписка на этого автора
Аватара пользователя
SVNick
Лейтенант
Лейтенант
 
Зарегистрирован: 14 мар 2007, 10:04
Откуда: Тольятти
Имя: Владимир
Автомобиль: Rocsta
Оцените эту статью

Рейтинг этой статьи: 3
Голосов подано: 0
 

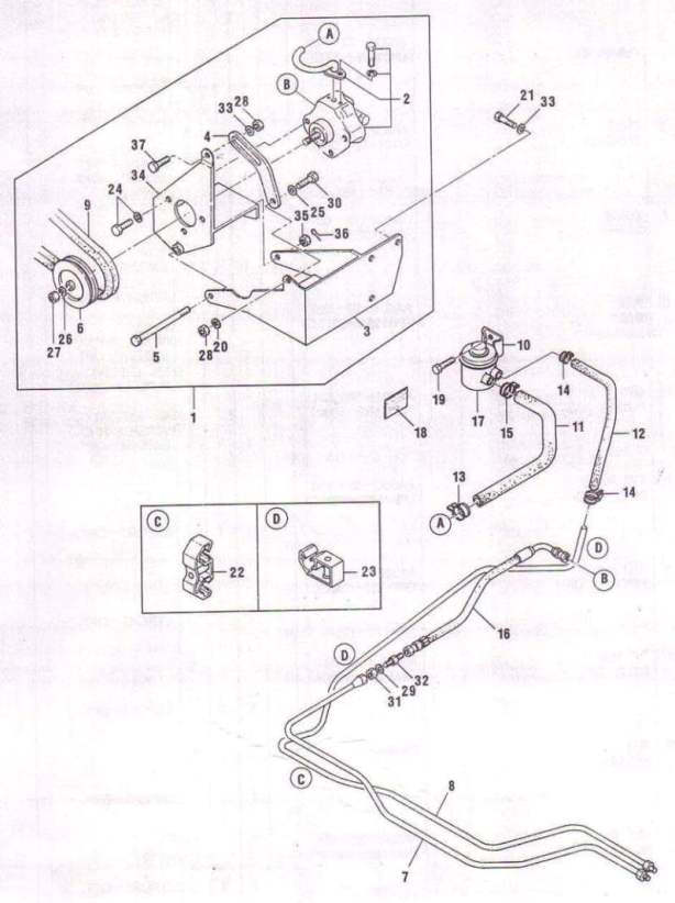
ГУР (Rocsta)

ID статьи: 87
Авторство: SVNick
Дата: 10 июл 2008, 10:08
Описание статьи: схема,артикула
Ссылка на эту статью:
http://www.forum.kia-club.ru/kb.php?a=87

18512
18513
18514
18515
18516
18517
18518
© KIA-CLUB.RU
Эта статья последний раз отредактировна VladPowers 30 янв 2012, 23:56


Кто сейчас на конференции

Зарегистрированные пользователи: AndreS, Александр Т., Google [Робот], Konst68, leks-71, SSMike, Vadim-chik, Yandex [Робот], кузька

Модераторский раздел ]