Текущее время: 22 окт 2025, 15:23

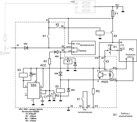
Схема блока управления

Подробности


SSAn
Схема блока управления
01 сен 2008, 08:08
576
Не оценено

Оставить комментарий

:
Выполните задание
Смайлики
:D :mad: ;) :Heppy: :think: :cry: :roll: :bye: :ooi: :oops: :o :pst: :roul: :P :vip: :( :cens: :z) :udiv: :hb: :[|]: :faceoff: :troll:
Ещё смайлики…
BBCode ВКЛЮЧЁН
[img] ВКЛЮЧЁН
[flash] ВЫКЛЮЧЕН
[url] ВКЛЮЧЁН
Смайлики ВКЛЮЧЕНЫ
Введите здесь Ваш комментарий (не более 1024 символов).

Комментарии

Комментариев ещё нет

Вернуться в SSAn