Текущее время: 25 дек 2025, 10:43

Image 2

Подробности


tuzmaster
Image 2
05 ноя 2013, 22:51
977
Не оценено

Описание изображения

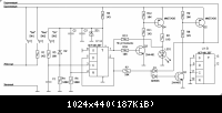
электрическая схема родных кнопок 9 6440 1D 000WK

Оставить комментарий

:
Выполните задание
Смайлики
:D :mad: ;) :Heppy: :think: :cry: :roll: :bye: :ooi: :oops: :o :pst: :roul: :P :vip: :( :cens: :z) :udiv: :hb: :[|]: :faceoff: :troll:
Ещё смайлики…
BBCode ВКЛЮЧЁН
[img] ВКЛЮЧЁН
[flash] ВЫКЛЮЧЕН
[url] ВКЛЮЧЁН
Смайлики ВКЛЮЧЕНЫ
Введите здесь Ваш комментарий (не более 1024 символов).

Комментарии

Комментариев ещё нет

Вернуться в tuzmaster